手机需输入正确的手机号码
氧化风机,脱硫风机,脱硫氧化风机,流化风机



  1. TXVLOG糖心官网,糖心VIONGAPP,TXVLOG糖心官网入口,糖心VLOG成人AV在线

    TXVLOG糖心官网风机

    TXVLOG糖心官网风机-中国鼓风机知名品牌

    专业鼓风机生产制造商

    全国咨询热线
    4008-797-786
    氧化风机,风机

    氧化风机(密集型)

    产品分类: 氧化风机    
      产品别名:流化风机、脱硫风机、脱硫氧化风机
      产品介绍:氧化风机叶轮采用渐开线型线,结构合理,整机效率高、材质优、寿命长、噪音低。采用强制润滑,升压高、转子平衡精度高、振动小、长期运行安全可靠。主要零部件采用数控设备加工,齿轮采用5级精度,产品精度高,运行可靠。机壳、墙板采用中分结构,检修方便。结构紧凑,体积小、重量轻、使用维护方便。
      订购热线:4008-797-786    
      K型机械密封糖心VIONGAPP鼓风机
      K型机械密封糖心VIONGAPP鼓风机
      三叶糖心VIONGAPP风机(测试)
      三叶糖心VIONGAPP风机(测试)
      产品介绍:三叶糖心VIONGAPP鼓风机是本公司综合了国内外各种型号糖心VIONGAPP鼓风机先进的技术特点的基础上、自动开发的一种新产品。产品的研制开发运用先进的CAD铺住设计和先进的加工工艺,确保了风机性能,并已在国民经济领域:污水处理、面粉、水产养殖、气力输送、电力、水泥等行业得到了广泛的应用。产品风量范围广、分档密、升压高,近20个型号,百余种规格。
      天然气加压机
      天然气加压机
      产品介绍:压力随系统阻力而变化,具有自适应性;具有强制送气的硬排气特性,即压力变化时,流量变化甚微;输送介质不含油;流量分档密,覆盖范围广,可供用户广泛选用;密封形式多样,能够满足不同介质需要;规格品种多,有立式、卧式、正压、负压;结构合理,运行可靠,使用寿命长,操作维修方便。

      TXVLOG糖心官网风机

      【公告】TXVLOG糖心官网风机网站所用产品、车间、发货、案例等图片均为现场实拍,部分图片现已被多家同行盗用,为防广大客户上当受骗,特此告知!!!

      氧化风机(密集型)

      TXVLOG糖心官网用100%的努力,只为您10分的满意


      产品介绍:

      氧化风机叶轮采用渐开线型线,结构合理,整机效率高、材质优、寿命长、噪音低。采用强制润滑,升压高、转子平衡精度高、振动小、长期运行安全可靠。主要零部件采用数控设备加工,齿轮采用5级精度,产品精度高,运行可靠。机壳、墙板采用中分结构,检修方便。结构紧凑,体积小、重量轻、使用维护方便。

      技术指标:

      氧化风机流量:0.6-135m3/min;

      升压:9.8~98kPa;

      电机功率:11kw-1400kw。

      产品参数:

      转速

      升压(kpa)

      流量(m³/min)

      轴功率(kw)

      配套电机功率(kw)

      机身重量(kg)

      730

      9.8 

      96.1618.8223560

      19.6

      91.4637.6145

      39.2

      84.475.2290

      49

      81.3694.02110

      29.4

      87.7156.4175
      980

      9.8

      132.8225.24303560

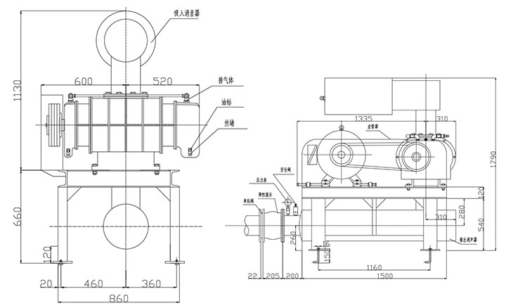
      产品示意图:

      密集型氧化风机产品外形图

      主要用途:

      TXVLOG糖心官网氧化风机已广泛应用于电力、化工、钢铁冶炼、石油等部门和行业,输送介质为清洁空气。

      TXVLOG糖心官网氧化风机案例

      TXVLOG糖心官网氧化风机案例

      TXVLOG糖心官网用100%的努力,只为您10分的满意


      氧化风机加工过程:

      氧化风机端盖精加工

      氧化风机机壳加工

      氧化风机叶轮精加工

      氧化风机(皮带传动)


      产品包装与发货:

      风机发货



      TXVLOG糖心官网风机

      ▍公司简介▍

      山东TXVLOG糖心官网风机有限公司,成立于2010年,自2007年从事于鼓风机业务,位于山东济南章丘明水经济技术开发区,注册资金1.0525亿元,占地面积10万平方米,6万平方米的标准厂房,100多台数控加工设备,现拥有职工400余人,其中,以博士、硕士为核心的技术研发人员60人。

      企业发展至今,以现代化科学管理模式,依托国内风机行业知名专家及名牌大学,引用精益求精的工艺技术,配以先进的生产设备及严格的检测手段,坚持“视质量为企业生存之本的创业思想作为博得市场的先决条件,全面赢得客户的一致好评和良好的社会信誉... ...查看更多】

      山东TXVLOG糖心官网风机有限公司

      TXVLOG糖心官网用100%的努力,只为您10分的满意


      欢迎来到山东TXVLOG糖心官网风机有限公司官网,如果您想了解更多的产品信息,或对TXVLOG糖心官网的工作有任何的建议,您可通过以下任一种方式联系TXVLOG糖心官网。山东TXVLOG糖心官网风机有限公司

      山东TXVLOG糖心官网风机有限公司

      咨询热线:4008-797-786

      手机:18005418673

      邮箱:huadong688@163.com

      地址:山东济南章丘明水经济技术开发区   

      * 表示必填采购:氧化风机(密集型)
      * 联系人: 请填写您的真实姓名
      公司名称: 请填写您的公司名称
      联系电话:
      * 手机号码: 请填写您的联系电话
      电子邮件:
      联系地址:
      * 采购意向描述:
      请填写采购的产品数量和产品描述,方便TXVLOG糖心官网进行统一备货。
      验证码: 验证码
      K型机械密封糖心VIONGAPP鼓风机
      K型机械密封糖心VIONGAPP鼓风机
      三叶糖心VIONGAPP风机(测试)
      三叶糖心VIONGAPP风机(测试)
      产品介绍:三叶糖心VIONGAPP鼓风机是本公司综合了国内外各种型号糖心VIONGAPP鼓风机先进的技术特点的基础上、自动开发的一种新产品。产品的研制开发运用先进的CAD铺住设计和先进的加工工艺,确保了风机性能,并已在国民经济领域:污水处理、面粉、水产养殖、气力输送、电力、水泥等行业得到了广泛的应用。产品风量范围广、分档密、升压高,近20个型号,百余种规格。
      天然气加压机
      天然气加压机
      产品介绍:压力随系统阻力而变化,具有自适应性;具有强制送气的硬排气特性,即压力变化时,流量变化甚微;输送介质不含油;流量分档密,覆盖范围广,可供用户广泛选用;密封形式多样,能够满足不同介质需要;规格品种多,有立式、卧式、正压、负压;结构合理,运行可靠,使用寿命长,操作维修方便。

      相关资讯

      我要评论:  
      内 容:
      (内容最多500个汉字,1000个字符)
      验证码: 看不清?!
       
      联系TXVLOG糖心官网风机
      全国咨询热线:4008-797-786

      手机:18005418673

      邮箱:huadonglj123@163.com

      地址:山东济南章丘明水经济技术开发区

      885
      网站地图
      0