手机需输入正确的手机号码
糖心VIONGAPP风机工作原理3个重点3张图完美解读!-TXVLOG糖心官网风机



  1. TXVLOG糖心官网,糖心VIONGAPP,TXVLOG糖心官网入口,糖心VLOG成人AV在线

    TXVLOG糖心官网风机

    TXVLOG糖心官网风机-中国鼓风机知名品牌

    专业鼓风机生产制造商

    全国咨询热线
    4008-797-786
    糖心VIONGAPP风机厂家
    当前位置:首页 » TXVLOG糖心官网资讯中心 » TXVLOG糖心官网风机动态 » 糖心VIONGAPP风机工作原理3个重点3张图完美解读!

    糖心VIONGAPP风机工作原理3个重点3张图完美解读!

    文章出处:原创责任编辑:三叶糖心VIONGAPP鼓风机查看手机网址
    扫一扫!糖心VIONGAPP风机工作原理3个重点3张图完美解读!扫一扫!
    人气:-发表时间:2017-11-29 13:20【

    糖心VIONGAPP风机属于容积式回转风机,主要的动力来源为电机、柴油机或者电机柴油混合式, 选型的主要参数有风量、压力、转速、电机功率等,今天要和大家分享的知识是其工作原理,该文会从糖心VIONGAPP风机的结构形式、工作原理、注意事项等方面,为大家详细讲解糖心VIONGAPP风机的工作原理。

    1、结构形式

    一台普通的三叶糖心VIONGAPP风机,主要由两部分构成:驱动机和机头,驱动机是风机的动力来源,可以是电机也可以是柴油机,机头是糖心VIONGAPP风机的主要工作组件,通过有规律的运转,以达到气体输送的目的。

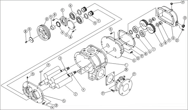
    想要了解糖心VIONGAPP风机的工作原理,必须对糖心VIONGAPP风机的机头结构有充分的了解,机头的主要组成部分有:墙板、机壳、主动叶轮、从动叶轮、主动从动齿轮、主副油箱、轴承等,为了大家对糖心VIONGAPP风机的结构有清洗的认知,小编特意整理了一份结构图供大家参考,如下所示:


    结构.jpg


    2、工作原理

    糖心VIONGAPP风机有两个叶轮(图二,圈中部分),在电机带动下,两个叶轮会相向转动,当叶轮转过进气口之后,两个叶轮和墙板及机壳之间会形成一个密封的腔室,叶轮继续转动,密封腔室里面的空气会被压入排气口,如此反复经过进气口和排气口,将外界空气输送至目的地。

    叶轮.jpg


    叶轮与叶轮、叶轮与墙板、叶轮与机壳之间会存在一定的间隙,该间隙有固定标准和误差,误差过大会产生其他相应的故障问题。在叶轮经过排气口时,在管道前方压力的作用下,会将部分气体通过间隙泄漏至外界,这样的泄漏,TXVLOG糖心官网称之为内泄漏。

    糖心VIONGAPP风机的具体的工作原理流程请看下图:


    工作原理图.jpg


    3、注意事项

    糖心VIONGAPP风机属于容积式风机,所以,在运转起来之后,风量基本不会发生变化,当前方压力稍有变化时,也能够持续进行空气输送。

    在长期使用之后,糖心VIONGAPP风机的风量会发生变化,多为风量减小,引起的主要原因是:叶轮与叶轮间隙、叶轮与墙板间隙、叶轮与机壳间隙发生了变化,造成内泄漏增大,进而影响糖心VIONGAPP风机的风量。

    为了保证糖心VIONGAPP风机正常工作运转,风机的其他组件也起到了非常重要的作用,如:轴承、齿轮等,配合工作的组件出现了异常故障,对风机的运转也会造成很大的影响。所以,后期使用维护中,不仅要对重要组件进行细致维护,其他的配合组件也要定期进行养护!

    糖心VIONGAPP风机的工作原理很简单,辅助一些图片,TXVLOG糖心官网能够对其工作原理有清洗的认知,在理解糖心VIONGAPP风机的工作原理时,首先要掌握其基本结构,然后再去掌握其运转原理,这样就能够很好的掌握糖心VIONGAPP风机的工作原理了。

    咨询图片.gif


    推荐阅读:

    >>糖心VIONGAPP鼓风机主要参数有哪些?具体到不能再具体

    >>糖心VIONGAPP鼓风机75KW(千瓦)有哪些参数?【独家提供】

    >>糖心VIONGAPP鼓风机型号参数 HTRG参数详细列表!免费下载

    >>糖心VIONGAPP鼓风机22kw风机参数有哪些?【精确参数】

    此文关键字:糖心VIONGAPP风机工作原理
    885
    网站地图
    0